| 型號 | 簡要區別 |
| M537a-115200 | UART接口 支持7個卡片 |
| M537a5-115200 | UART接口 支持5個卡片 |
| M537a3-115200 | UART接口 支持3個卡片 |
>>產品描述
- 支持ISO7816標準
- 最多可同時操作7個SAM卡(PSAM或ESAM卡)
- 支持9600,38400,115200 SAM卡
- 支持T=0 T=1協議
- 封裝形式為TSSOP20
- 用戶不必關心SAM卡的復雜控制方法,只需通過簡單的命令集可以實現對卡的完全操作
- 可提供C51函數例程,安卓及windows操作系統下的例程函數庫供二次開發
- 通訊協議:UART可選,適合于嵌入式系統開發
- 自帶看門狗
- 完備的測試工具:BZ537a可適用于前期的開發,測試
- 廣泛應用于非接觸智能水、電、氣三表、交通一卡通讀寫器,充電樁,桌面發卡器,門禁考勤讀寫卡器,汽車電子感應鎖配套,辦公商場/洗浴中心儲物箱的安全控制,各種防偽系統及生產過程控制等的密鑰認證
>>功能描述
M537a外觀及管腳定義



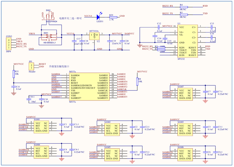
M537a參考原理圖

BZ537a測試DEMO板

>>主要技術指標
- 最多可同時操作7個SAM卡
- 電源:DC2.7V-DC3.6V
- 讀卡平均電流:約4mA,7張卡片掛滿,大約13-20mA(與卡片有關)
- 工作溫度:-20℃~+70℃
- 封裝:TSSOP20
>>型號間主要區別
| 型號 | 主要區別 | 支持卡片類型 |
| M537a-115200 | UART接口 支持7個SAM卡 | SAM9600,SAM38400,SAM115200 ISO7816-4 CPU卡 T=0 T=1卡片 |
| M537a5-115200 | UART接口 支持5個SAM卡 | SAM9600,SAM38400,SAM115200 ISO7816-4 CPU卡 T=0 T=1卡片 |
| M537a3-115200 | UART接口 支持3個SAM卡 | SAM9600,SAM38400,SAM115200 ISO7816-4 CPU卡 T=0 T=1卡片 |
>>相關資料下載